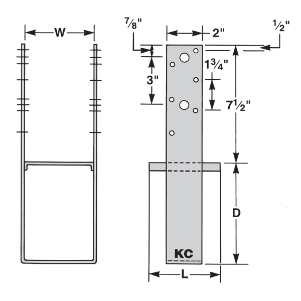
PAM – Post Anchors Medium
Design Features
are similar to the HA heavy anchor (previous page), and provide builders with a medium-duty, low cost post anchor that can be embedded into concrete up to 7” to meet the needs of carports, patios, porches and breezeways. Moisture-barrier plate can be removed for added installation flexibility. The post can be nailed or bolted to meet code requirements.
Materials
PAM, 12 ga. galvanized steel.
Download Post Anchors Product Information




