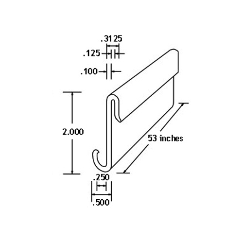
S-Clip
The S-Clip is designed for above ground pools. S-Clip features an extra heavy gauge liner bead retainer. S-Clip is easily positioned simply by pushing in a downward direction onto the top edge of an above ground pool wall.
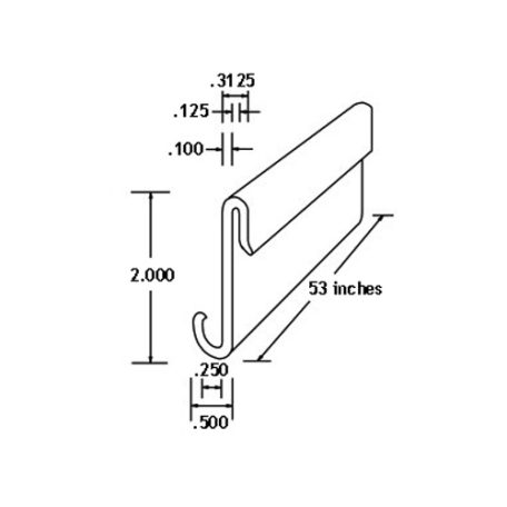
The S-Clip is designed for above ground pools. S-Clip features an extra heavy gauge liner bead retainer. S-Clip is easily positioned simply by pushing in a downward direction onto the top edge of an above ground pool wall.